Arduino Uno ile LM35 Entegre Tipi Sıcaklık Sensörü Uygulaması
LM35, termistörler kadar yaygın olarak kullanılan düşük maliyetli entegre tipi bir sıcaklık sensörüdür. LM35 entegresi, bir transistör gibi 3 pin olup içerisinde sıcaklık sensörü bulunur. Analog çıkış verir. 1 nolu pin artı (+), 3 nolu pin eksi (-) yani GND ve 2 nolu pin çıkış pinidir. Çıkış pininden sıcaklık ölçüm sinyali olarak 0 – 1 V arası gerilim alınabilir.
LM35, negatif gerilimle -55 ile +150 °C arası, pozitif gerilimle +2 ile +150 °C arası ölçüm yapabilir. Her 1 °C sıcaklık artışında çıkış pininden alınan gerilim 10 mV artar. Başka bir deyişle çıkış hassasiyeti 10 mV/°C’dir. Bu artış doğru orantılıdır. Örneğin 10 °C sıcaklıkta LM35’in çıkış pininden 100 mV (0,1 V) alınır. 25 °C sıcaklıkta LM35’in çıkış pininden 250 mV (0,25 V) alınır.
LM35’in besleme gerilimi 4 – 30 V arasıdır. Tipik olarak 5V ile çalışır. Çalışma sırasında çektiği akım 60 µA’in altındadır. Bu nedenle kendi ısısından etkilenmez. 0,5° hassasiyetle ölçüm yapabilir. Başka bir deyişle 25 °C’de yaklaşık 0,5 birim hata payı vardır. Plastik kılıfa sahip LM35’in kılıf şekli TO-92, metal kılıfa sahip LM35’in kılıf şekli TO-46’dır.
LM35, sıcaklığı termistörden daha iyi ölçebilir. Yüksek sıcaklık ölçüm doğruluğunun gerekli olduğu endüstrilerde kullanılır. Bu sensör uygulamada bir opamp (işlemsel yükselteç) ile kullanılır.
LM35'in üç pini vardır:
|
Tablo 1.1: LM35 Pin Yapısı |
||
|
Pin No |
Pin Adı |
Açıklama |
|
1 |
VCC |
Güç pini (4-20V) |
|
2 |
OUT |
Gerilim çıkış pini |
|
3 |
GND |
Topraklama pini (0V) |
Uygulamaya Ait Şema, Bağlantı Şekli ve Görseller

Görsel 1.1: LED diyot pin yapısı

Görsel 1.2: LM35 pin yapısı

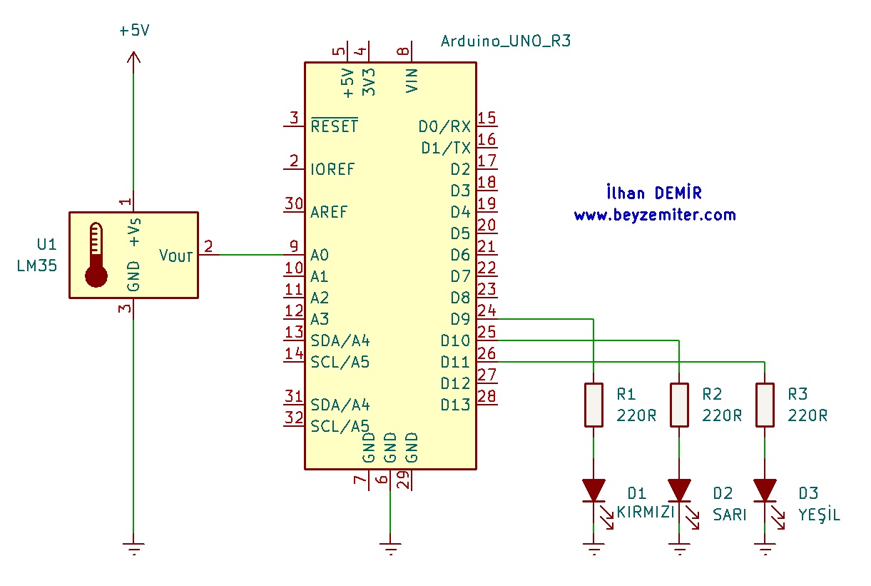
Görsel 1.3: Arduino Uno ile LM35 entegre tipi sıcaklık sensörü uygulaması devre şeması

Görsel 1.4: Arduino Uno ile LM35 entegre tipi sıcaklık sensörü uygulaması devre şeması (KiCad 7.06 ile çizilmiştir)

Görsel 1.5: Arduino Uno ile Arduino Uno ile LM35 entegre tipi sıcaklık sensörü uygulaması breadboard bağlantısı
Malzeme Listesi
|
Sıra No |
Adı |
Özelliği |
Miktarı |
|
1 |
Arduino Uno R3 |
- |
1 Adet |
|
2 |
LM35 sıcaklık sensörü |
- |
1 Adet |
|
3 |
LED diyot |
5 mm kırmızı, sarı, yeşil |
3 Adet |
|
4 |
Direnç |
220R / ¼ W |
3 Adet |
|
5 |
Breadboard |
830 pin |
1 Adet |
|
6 |
Jumper kablo |
Erkek-erkek |
- |
Uygulamaya Ait Kod


Bu internet sitesi içeriğinde yer alan tüm eserler (yazı, resim, görüntü, fotoğraf, video, müzik vb.) İlhan DEMİR'e ait olup, 5846 sayılı Fikir ve Sanat Eserleri Kanunu ve 5237 sayılı Türk Ceca Kanunu kapsamında korunmaktadır. Bu hakları ihlal eden kişiler, 5846 sayılı Fikir ve Sanat eserleri Kanunu ve 5237 sayılı Türk Ceza Kanununda yer alan hukuki ve cezai yaptırımlara tabi olurlar. İlhan DEMİR, yasal işlem başlatma hakkına sahiptir.

BİR CEVAP YAZ